2021年全國31省份鍋爐排放標準政策匯總
2021-04-21
1.河南

文件自20213月1日起實施。
2.山東

2020年1月1日起,現有燃油、燃氣和其他燃料鍋爐按所在控制區執行表中的排放濃度限值。
3.天津
天津市《鍋爐大氣污染物排放標準》修訂實施 2020年8月
這次《標準》修訂以先進穩定可行的工藝技術為依托,進一步降低化石燃料燃燒污染物排放,凸顯出四大特點。“一是明確了適用范圍,比如,將生物質油鍋爐納入參照本標準執行范圍。”市生態環境局工作人員介紹,二是收嚴了鍋爐主要大氣污染物排放限值,將燃煤鍋爐顆粒物、二氧化硫、氮氧化物、汞及其化合物執行標準從30、100、200、0.05 毫克/立方米,收嚴至10、35、50、0.03毫克/立方米;燃油鍋爐及燃氣鍋爐顆粒物、二氧化硫、氮氧化物執行標準從30、50、300毫克/立方米收嚴至10、20、50毫克/立方米,新建燃氣鍋爐一氧化碳執行95毫克/立方米的排放限值。三是對燃煤鍋爐企業首次提出了無組織排放控制要求,并明確了高污染燃料禁燃區管控要求。四是應用科技手段實施監管,調整了鍋爐安裝污染物排放自動監控系統范圍。
4.河北
嚴格了鍋爐煙氣顆粒物、二氧化硫、氮氧化物的排放限值,燃煤鍋爐分別為10mg/m3、35mg/m3、50mg/m3;燃氣鍋爐分別為5mg/m3、10mg/m3、50mg/m3;燃油鍋爐分別為10mg/m3、20mg/m3、80mg/m3;燃生物質鍋爐分別為20mg/m3、30mg/m3、150mg/m3;按噸位對燃油鍋爐、燃生物質鍋爐污染物排放實施差異化標準管控,20蒸噸/小時及以上燃生物質鍋爐顆粒物、氮氧化物明確為10mg/m3、80mg/m3,燃油鍋爐氮氧化物規定為50mg/m3。增加了氨逃逸控制指標,根據不同治理工藝,采用SCR脫硝工藝或SNCR-SCR聯合脫硝工藝氨逃逸為2.3mg/m3,采用SNCR脫硝工藝氨逃逸控制指標為7.6mg/m3。
新建鍋爐自2020年5月1日執行,在用鍋爐自2021年6月1日起執行,
5.吉林
吉林發布2020年《生物質成型燃料鍋爐大氣污染物排放標準(征求意見稿)》。其中規定,城市建成區新建生物質成型燃料鍋爐執行20/50/200的限值,其他地區新建生物質成型燃料鍋爐執行50/100/300的限值。
6.廣東

一是在用鍋爐自2019年7月1日起執行表1規定的大氣污染物排放限值,自2020年7月1日起執行表2規定的大氣污染物排放限值
新建鍋爐自2019年4月1日(本標準實施之日)起執行表2規定的大氣污染物排放限值

三是未實行清潔能源改造的每小時35蒸噸及以上燃煤鍋爐自2021年1月1日起,執行表3規定的大氣污染物特別排放限值。

7.陜西



8.遼寧
遼寧省生態環境廳關于執行燃煤鍋爐大氣污染物特別排放限值的通告
執行時間
(一)新、改、擴建項目
1.自2020年4月1日起,新受理的燃煤鍋爐新、改、擴建環評項目執行大氣污染物特別排放限值,其中城市建成區燃煤鍋爐項目大氣污染物排放濃度要求滿足超低排放要求(在基準氧含量6%條件下,煙塵、二氧化硫、氮氧化物排放濃度不得高于10、35、50毫克/立方米)。2.若我省或各市出臺更嚴格的排放控制要求,按新要求執行。
(二)現有企業
1.沈陽市現有燃煤鍋爐按《關于執行大氣污染物特別排放限值的公告》(原環境保護部2013年第14號公告)要求執行大氣污染物特別排放限值。2.省內其余13個城市,自2020年11月1日起,單臺出力20t/h(14MW)及以上的燃煤鍋爐執行大氣污染物特別排放限值,縣級及以上城市建成區和市級及以上工業園區內仍保留的20t/h(14MW)以下燃煤鍋爐參照執行。3.若我省或各市出臺更嚴格的大氣污染物排放控制要求,按新要求執行。三、有關要求(一)全省各級生態環境部門要嚴格按照燃煤鍋爐大氣污染物特別排放限值或超低排放限值要求,審批所有新、改、擴建項目,按照“三同時”制度進行管理,確保滿足特別排放限值或超低排放限值要求。(二)現有燃煤鍋爐項目不能達到鍋爐大氣污染物特別排放限值要求的,應根據超標情況制訂限期治理措施,確保在規定時間內達到特別排放限值要求。限期治理后仍不能達標的,應限產限排或關停,并按相關規定進行處罰
9.山西



山西省地方標準DB14/1929-2019《鍋爐大氣污染物排放標準》2020年,5月1日起實施
本標準適用于山西省轄區內鍋爐的大氣污染物排放管理,以及鍋爐新建、改建、擴建項目的環境影響評價、環境保護設施設計,竣工環境保護驗收及其投產后的大氣污染物排放管理。
本標準適用于以燃煤為燃料的單臺出力65t/h及以下蒸汽鍋爐以及65t/h以上非發電蒸汽鍋爐,以燃油、燃氣、燃生物質為燃料的各種容量的蒸汽鍋爐(含發電);各種容量的熱水鍋爐及有機熱載體鍋爐。
10.上海

上海發布《鍋爐大氣污染物排放標準》,該標準自2018年6月7日起實施。具體標準如下:
、自本標準實施之日起至2020年9月30日,在用鍋爐執行表1規定的排放限值。自2020年10月1日起,在用鍋爐(生物質燃料鍋爐除外)執行表2規定的排放限值。自2020年10月1日起,在用生物質燃料鍋爐執行表1規定的排放限值。
2、自本標準實施之日起,新建鍋爐(生物質燃料鍋爐除外)執行表3規定的排放限值。自本標準實施之日起,新建生物質燃料鍋爐執行表1規定的排放限值。
11.重慶


DB50/ 658—2016《鍋爐大氣污染物排放標準》重慶市地方標準第 1 號修改單。本修改單經重慶市人民政府于 2020 年 10 月 10 日批準,由重慶市生態環境局、重慶市市場監督管理局于 2020 年 10 月 23日發布,自 2021 年 1 月 1 日實施
12.內蒙古


13.廣西


14.西藏


15.寧夏


銀川及周邊地區城市建成區禁止新建燃煤、重油、渣油及直接燃用生物質鍋爐,嚴禁新建分散式以戶為主的燃煤采暖設施(茶浴爐、土暖爐等);城市建成區外禁止新建10蒸噸/小時以下燃煤鍋爐;其他設區市地級城市建成區禁止新建20蒸噸/小時以下燃煤鍋爐,其他縣(區)城市建成區原則上不再新建10蒸噸/小時以下燃煤鍋爐,城市建成區嚴禁新建分散式以戶為主的燃煤采暖設施(茶浴爐、土暖爐等)。
16.新疆


根據《烏魯木齊市燃氣鍋爐大氣污染物排放標準》規定,自2018年4月22日起,新建燃氣鍋爐的氮氧化物排放限值為40毫克/立方米,在用鍋爐仍執行國標中的特別排放限值150毫克/立方米;自2020年10月1日起,在用燃氣鍋爐氮氧化物排放必須低于60毫克/立方米。新標準規定的排放限值較現行排放標準收嚴超過一半。
17.黑龍江


18.江蘇

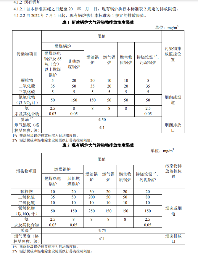
自標準實施之日起新建燃煤熱電鍋爐及65噸以上燃煤鍋爐執行顆粒物5mg/m3、二氧化硫35mg/m3、三氧化硫5mg/m3、氮氧化物50mg/m3,現有鍋爐自2020年7月1日起也執行上述標準
19.安徽


20.浙江

自標準實施之日起新建燃煤熱電鍋爐及65噸以上燃煤鍋爐執行顆粒物5mg/m3、二氧化硫35mg/m3、三氧化硫5mg/m3、氮氧化物50mg/m3,現有鍋爐自2020年7月1日起也執行上述標準
21.福建


22.江西


23.湖北

本省范圍內禁止新建每小時二十蒸噸以下的燃煤鍋爐
24.湖南


25.海南


26.四川

本標準2021年1月1日實施
27.貴州


28.云南


29.甘肅


30.青海


31.北京







